Энигма
Эни́гма (греч. αἴνιγμα — загадка) — портативная роторная электромеханическая шифровальная машина. По сути являлась динамическим шифром Цезаря. Первоначально была создана в коммерческих целях и для сохранения конфиденциальности деловой переписки. В период Второй мировой войны была задействована немецким командованием. Успехи в расшифровке этой машины были достигнуты польскими и британскими специалистами[1][2][3][4].
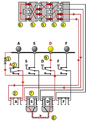
Находясь на стыке механики и электротехники, «Энигма» снаружи выглядела как печатная машинка увеличенного размера, укладывавшаяся в деревянный футляр. Для шифрования необходимо было вводить буквы на клавиатуре. В результате работы механизма на световом табло машины загоралась буква, на которую заменялась исходная в зашифрованном сообщении. Для дешифровки необходимо было выполнить то же самое: ввести «шифрованный текст», после чего на световом табло загорятся буквы, обозначающие расшифрованное сообщение[5][6].
Внутри система состоит из трёх физических роторов. Каждый из них принимает букву и выдаёт другую. Буква проходит через все три ротора, отражается от «рефлектора» и снова проходит через все три ротора в обратном направлении. На табло загорается зашифрованный результат, и первый из трёх роторов поворачивается на одну позицию, изменяя результат, даже если вторая буква совпадает с первой[5].
Несмотря на сложность устройства, операторам требовалась лишь информация о начальном положении и порядке трёх роторов, а также о расположении штекеров на плате. После этого для дешифровки необходимо было ввести зашифрованный текст в машину. Это было возможно благодаря наличию в конструкции машины рефлектора[5].
Механизм работы
Машина «Энигма» реализует полиалфавитный шифр подстановки с помощью системы вращающихся дисков, называемых роторами, на каждом из которых в произвольном порядке расположены 26 букв и 26 электрических контактов. При нажатии клавиши на клавиатуре электрический ток проходит через ряд роторов, каждый из которых выполняет подстановку, а затем отражается от рефлектора, который дополнительно искажает сигнал, прежде чем он возвращается через роторы в обратном порядке и высвечивает зашифрованный результат на световом табло. При каждом нажатии клавиши по крайней мере один ротор сдвигается, изменяя электрический путь и обеспечивая каждый раз разное шифрование одной и той же буквы открытого текста, что приводит к созданию сложного, неповторяющегося шифра[4].
Помимо прочего, усложняло шифр использование набора из пяти различных дисков. Из них на машину одновременно устанавливалось только три. Поскольку тасовать их можно было в любом порядке, это создавало дополнительные десять вариантов установки[7].
Конфигурация машины определялась количеством роторов, их порядком и начальным положением роторов, а также перестановками коммутационной панели (при её наличии). Алгоритм шифрования создавал шифр, который мог меняться при каждом использовании в зависимости от начальной конфигурации и последовательности нажатий клавиш[4].
Роторы
Каждый ротор имеет 26 положений, индексированных буквами латинского алфавита или цифрами. Их текущее положение видно через небольшое окошко в верхней крышке машины. На правой стороне ротора расположены 26 подпружиненных контактов, а на левой — 26 плоских контактов. Внутри ротора находятся 26 проводов, которые соединяют подпружиненные контакты справа с плоскими контактами слева в произвольном порядке. Каждый ротор обозначен римской цифрой (например, I, II, II, IV, V) и имеет уникальную для этой цифры схему подключения. При нажатии на клавишу на клавиатуре ток от аккумулятора поступает на соответствующий контакт с правой стороны первого ротора. Проводка внутри ротора «переводит» его на другую букву, после чего ток выходит на контакт с выходной буквой на левой стороне ротора. Затем он проходит второй и третий роторы, где происходит аналогичное перемещение, пока не достигнет рефлектора[8].
Под каждой клавишей клавиатуры находится двухпозиционный переключатель. Чтобы переключатель сработал, она должна быть полностью нажата. Клавиша также управляет шагом ротора. При каждом нажатии крайний правый ротор делает один шаг, прежде чем сработает переключатель и загорится лампа[8].
На каждом роторе есть кольцо, с помощью которого можно поворачивать проводку независимо от текущего положения. Это можно рассматривать как создание смещения в противоположном направлении. Насечки для поворота ротора закреплены на индексном кольце. Таким образом, поворот ротора влево всегда будет происходить в одной и той же букве в окне, но проводка будет другой (то есть повёрнутой)[8].
Движение ротора во многом похоже на движение одометра в автомобиле. Большинство моделей «Энигмы» оснащены ступенчатыми рычагами и выемками, а не зубчатыми колёсами. Если крайний правый ротор совершил полный оборот, он сдвинет следующий ротор на один шаг. При достижении положения выемки срабатывает фиксатор. При следующем нажатии клавиши этот фиксатор сдвинет соседний ротор. Этот принцип называется шаговым сдвигом и имеет странный побочный эффект: средний ротор сдвигается дважды (при двух последовательных нажатиях клавиши), если крайний левый ротор также сдвигается. Это явление, известное как аномалия двойного сдвига, было подробно описано Дэвидом Хамером в 1997 году[8][9].
Рефлектор
Рефлектор в машине «Энигма» является деталью, отличающей её от других роторных машин. Внутри рефлектора располагаются 13 проводов, которые соединяют 26 букв попарно. По сути, он преобразует одну букву в другую. После того как ток проходит через все три ротора, он попадает на один из контактов рефлектора, который перенаправляет ток на другой контакт и отправляет его обратно через роторную стойку[8][10].
Рефлектор отвечает за то, что машина является реверсивной, то есть процессы шифрования и дешифрования идентичны. Он также отвечает за одно из слабых мест «Энигмы»: поскольку ротор всегда направляет ток обратно по другому пути, буква может быть закодирована в любую другую букву, но не в саму себя[8].
Steckerbrett
Коммутационная панель, или Steckerbrett, стала дополнительным механизмом перестановки, присутствующим в некоторых моделях «Энигмы». Она позволяет операторам менять местами пары букв, подключая кабели к разным позициям, тем самым увеличивая количество возможных конфигураций и расширяя ключевое пространство. Эта дополнительная панель использовалась в вариантах «Энигмы» для вермахта (служебная «Энигма», M3 и M4). В коммерческих версиях она не использовалась[11][12][7][8].
Для перестановки обычно поставлялось 12 коммутационных кабелей: 10 для использования на Steckerbrett и 2 запасных, которые хранились в верхней крышке корпуса. Каждая закодированная буква дважды проходит через панель. Это не влияет на обратимость машины, то есть буква по-прежнему не может быть закодирована сама в себя. Каждый патч-кабель имеет двухконтактный разъём с обеих сторон, который имеет толстый и тонкий контакты, что защищает его от неверной установки. Ежедневное изменение количества кабелей могло бы увеличить возможное число комбинаций в 530 триллионов раз. Однако поскольку использовалось фиксированное число кабелей (чаще всего 10), это количество увеличивалось только в 150 триллионов раз[8].
Модификации машины
С 1918 по 1923 год инженер Артур Шербиус занимался созданием нескольких экспериментальных моделей («Die Probemaschinen»), послуживших основой для серии шифровальных устройств «Энигма». Первое из этих устройств появилось в 1923 году. Впоследствии, с 1923 по 1945 годы, эта серия разделилась на два основных направления. К первому типу относились устройства, осуществлявшие прямую печать на бумаге. Вторым направлением стали более простые и доступные модели, где для отображения результатов применялись лампы накаливания. Именно второе направление получило наибольшую известность и коммерческий успех[13].
Печатные машины «Энигма»
В 1923 году появилась первая версия шифровальной машины «Энигма», названная Die Handelsmaschine, то есть «коммерческая машина». Впервые описание этого устройства, созданного Артуром Шербиусом, появилось в техническом издании в ноябре того же года. Особенностью этой модели была прямая печать на бумаге с использованием специального печатного колеса, а также наличие четырёх шифровальных роторов, каждый из которых имел 28 контактов. У этой версии «Энигмы» существовало несколько модификаций[13].
В 1924 году был предпринят иной подход к конструкции: вместо печатного вала были использованы печатные планки. Однако только к 1926 году удалось решить все технологические и производственные трудности, и машина достигла уровня, необходимого для коммерческой реализации. Эта модель получила название Die schreibende Enigma, то есть «пишущая Энигма». Также была она была известна как Die Typenhebelmaschine — машина с печатными рычагами[13].
В 1929 году была выпущена последняя версия печатной машинки «Энигма». Эта модель, получившая обозначение Enigma H29, отличалась от предшественниц заменой традиционных клавиш на толкатели, что существенно уменьшало вероятность ошибок. Данная модификация была приобретена венгерской армией и немецким Рейхсвером (позже Вермахтом), где она была известна как Enigma II. Кроме того, она служила в качестве прототипа для печатного механизма других моделей «Энигмы»[13].
Машины «Энигма» с лампами накаливания
Практически сразу после создания первой версии «Энигмы» в 1923 году начались работы по созданию более компактной, удобной в транспортировке и дешёвой модели. В отличие от предшественника, который распечатывал информацию, новая машина отображала её с помощью панели, где каждой букве алфавита соответствовала отдельная лампочка. Это направление получило название Glühlampenmaschine, что означает «машина с лампами накаливания». Со временем оно превратилось в целую серию устройств, которых было произведено около нескольких тысяч экземпляров[13].
Производство ламповых шифровальных машин началось в 1924 году с выпуска Enigma A, которая также была известна как Die kleine Militärmaschine (малая военная машина). Вскоре за ней последовала «Энигма B», которая эволюционировала в «Энигму C». Было разработано несколько вариантов «Энигмы A», «B» и «C», прежде чем конструкция превратилась в «Энигму D» или «Энигму модели A26». Последнюю можно считать базовой моделью, на основе которой создавались все последующие машины[13].
Специально для немецкой военной машины в 1927 году к конструкции «Энигма D» была добавлена штекерная плата (коммутационная панель) Steckerbrett. Это стало отправной точкой для создания военной машины, известной в вермахте как Enigma I. Эта ветка включает в себя морские шифровальные машины M1, M2, M3 и M4 и является самой известной линейкой «Энигма». Таких моделей было выпущено несколько десятков тысяч[13].
Особой ветвью, которая также происходит от «Энигма D», является линейка машин «Энигма» с зубчатым приводом, известная как Die Zählwerksmaschinen (счётные машины, или машины с зубчатым приводом). Начиная с раннего варианта 1927 года и усовершенствованной Enigma Model A28 в 1928 году, эта линейка в конечном счёте превратилась в несколько уменьшенную Enigma G31, или Enigma G. Для последней модели было разработано несколько вариантов, но сохранился из них только один[13].
Малоизвестной ветвью «Энигма» является линейка машин, предназначенных только для набора цифр, известная как Enigma Z30, или Enigma Z. Известны две версии, одна из которых является модификацией Enigma D, а другая также имеет сходство с Zählwerk Enigma A28. Вероятно, было выпущено лишь небольшое количество таких машин, а сохранились только образцы первого варианта[13].
Параллельно с другими направлениями в период с 1927 по 1944 год разрабатывалась линейка коммерческих машин, в основе которых лежала Enigma D. Эта линейка широко известна как Enigma A27 или Enigma K, хотя буква K не использовалась в качестве префикса серийного номера до 1936 года[13].
Слабые места и взлом
Процесс шифрования включал ежедневную смену настроек ротора и коммутационной панели. Это приводило к настолько большому числу возможных конфигураций, что расшифровка методом перебора была невозможна специализированных методов. Однако слабостью системы шифрования «Энигмы» являлось наличие специальной книги, задающей ключи шифрования. Если завладеть самой машиной и этой книгой, можно расшифровать многие сообщения[14][4].
Ещё одним проблемным местом машины был рефлектор, ставший основой для всех попыток взлома Энигмы. Конструкция машины была такой, что ни одна буква никогда не кодировала сама себя. Зная это, а также имея представление о том, что могло быть зашифровано в некоторых сообщениях (часто встречались фразы «Keine besonderen Ereignisse», или «нечего сообщить», и «An die Gruppe», или «для группы»), можно было исключить тысячи потенциальных положений ротора[5].
Другой уязвимостью являлось равномерное движение роторов. В большинстве шифровальных машин «Энигма» крайний правый ротор совершает полный оборот, прежде чем ротор слева от него сдвигается на одну позицию, подобно одометру. В результате второй ротор сдвигается только раз в 26 символов, а третий ротор почти не двигается. Это делает машину более предсказуемой. Однако в некоторых вариантах, таких как «Энигма Т», «Энигма А28» и «Энигма G», были роторы с несколькими выемками для оборота, что приводило к нерегулярному сдвигу[8].
Кроме того, дополнительное уменьшение числа возможных комбинаций создавали обязательные ключевые правила и аномалия двойного сдвига. Использование на коммутационной панели фиксированного числа патч-кабелей и обязательного изменения ими буквы также облегчало работу дешифровщикам. Влияние на увеличение уязвимости шифра оказывали и некоторые другие особенности использования «Энигмы»[8].
Перед Второй мировой войной одними из лучших криптографов были поляки. Опыт предыдущих наработок позволил им достичь первых успехов в задаче расшифровки «Энигмы». Первыми результаты получили польские математики Мариан Режевский, Генрих Зыгальский и Ежи Разицкий. Несмотря на то, что работали они с коммерческой версией машины, им удалось достичь значительных успехов. Особенно важным было определение математической модели «Энигмы» и примерный алгоритм её работы[15][7].
В дальнейшем, основываясь на польском опыте, Алан Тьюринг и его команда в британском Блетчли-Парке разработали машину «Бомба», которая использовала сложную логику для автоматизации поиска ежедневных ключей, необходимых для расшифровки сообщений «Энигмы». Команда использовала известные фрагменты открытого текста, такие как ежедневный «прогноз погоды» и фраза «хайль Гитлер», для выявления «подсказок» — предсказуемых фрагментов сообщений, которые можно было алгоритмически сопоставить с перехваченным шифрованным текстом, тем самым сократив пространство поиска возможных настроек «Энигмы». Алан Тьюринг также обнаружил, что числа в сообщениях «Энигмы» записывались словами, например «eins» для обозначения единицы, и создал каталог «eins», чтобы автоматизировать процесс поиска «подсказок», что ещё больше упростило вычислительный анализ и процесс взлома кода[15][16][5].
Устройство, спроектированное Аланом Тьюрингом, обладало возможностью частичной обработки входящих данных. Однако даже увеличение количества этих «дешифровальных машин» и их объединённое использование не позволяло быстро и эффективно расшифровывать поступающую информацию. Ситуацию спасло случайное столкновение британского противолодочного корабля с немецкой подводной лодкой U-559. Обнаруженная на ней машина «Энигма» с документацией, включавшей методы шифрования, решила проблемы с расшифровкой до конца войны[15][17].
История машины
История появления «Энигмы» связана с созданием роторной машины примерно в 1915 году. Как нередко случается, идея роторного устройства возникла практически одновременно в нескольких странах. В промежутке между 1917 и 1919 годами различные варианты шифровальных роторных машин были запатентованы Эдвардом Хеберном в США, Арвидом Даммом в Швеции, Хьюго Кохом в Нидерландах и Артуром Шербиусом в Германии[18].
Тем не менее, существует одно открытие, предшествующее всем остальным. Речь идёт об изобретении Тео ван Хенгеля и Рудольфа Шпенглера, двух офицеров военно-морского флота из Нидерландов. В 1915 году они разработали функционирующие роторные шифровальные аппараты для военного ведомства Нидерландов. Подробное описание этой инновации было представлено Карлом де Леу в издании Cryptologia в январе 2003 года[18].
Шифровальная машина «Энигма» была разработана Артуром Шербиусом и создана ближе к окончанию Первой мировой войны, в 1917 году. Патент на неё был получен 23 февраля 1918 года. Со временем первое устройство трансформировалось в известную линейку шифровальных машин с лампами накаливания. Позднее Артур Шербиус приобрёл у Хуго Коха патент на схожее устройство[18].
Первоначально использование машины предполагалось для коммерческих целей. Предлагавшиеся варианты военным были отвергнуты ввиду слабой надёжности. Кроме того, из-за высокой цены её покупали лишь в единичных экземплярах. В течение ряда лет устройство развивалось, усовершенствовалось, появлялось большое количество модификаций[18][14].
В 1920-е годы немецкое правительство осознало важность укрепления безопасности каналов связи и сохранения конфиденциальности передаваемых данных. В качестве решения была выбрана шифровальная машина «Энигма». Вскоре после этого началось масштабное изготовление этих устройств, и уже к 1925 году ими были обеспечены все немецкие военные подразделения. С приходом к власти Адольфа Гитлера в 1933 году спрос на «Энигму» резко возрос, сделав её наиболее используемым шифровальным аппаратом в стране. Начиная с этого времени и на протяжении всей Второй мировой войны, общий объём производства «Энигмы» достиг примерно 200 000 экземпляров[14].
Чтобы противостоять возрастающей опасности, которую представляла фашистская Германия, правительства враждующих государств активно пытались расшифровать код «Энигмы». Первых результатов в дешифровке этой шифровальной машины добились польские специалисты по криптографии. Начиная с 1926 года польское «Бюро шифров» начало перехватывать сообщения, передаваемые с помощью ещё неизвестного им немецкого шифровального устройства. Одним из обстоятельств, облегчивших эту задачу, стало то, что в 1927 году одна из коммерческих модификаций «Энигмы» случайно оказалась на варшавской таможне, где была подвергнута тщательному анализу. Однако обнаруженный экземпляр шифровальной машины имел некоторые отличия от используемого в немецкой армии шифратора. По этой причине первоначальные попытки поляков прочитать зашифрованные сообщения не принесли результатов[14][15].
В Польше в 1929 году в Познаньском университете были организованы курсы криптографии, требующие знания немецкого языка. Трое их выпускников – Мариан Режевский, Генрих Зыгальский и Ежи Розицкий – впоследствии стали сотрудниками шифровального бюро. В 1931 году французские криптографы сыграли важную роль в дешифровке «Энигмы», получив от немецкого инсайдера Ганса-Тило Шмидта руководство пользователя новой версии этой шифровальной машины. Не имея возможности читать немецкие радиограммы, французы передали документацию польским коллегам. Опираясь на полученные сведения, польские специалисты активно взялись за взлом шифра и к 1933 году уже могли читать немецкие сообщения. Результаты своих успехов они держали в секрете от союзников. В 1938 году Германия внесла изменения в принцип работы «Энигмы», что усложнило задачу криптографам. Для решения этой проблемы Мариан Режевский, Генрих Зыгальский и Ежи Розицкий разработали специальное устройство, получившее название «Криптологическая бомба»[7][15][14].
Когда стало очевидным неизбежное вторжение в Польшу, польские криптографы поделились результатами своей работы с английской и французской разведками. Они также передали британским криптоаналитикам сохранившиеся коммерческие шифровальные машины, чья конструкция, улучшенная на основе немецкой информации и криптоанализа, была доведена до военного уровня. Кроме того, британские спецслужбы получили уникальный сдвоенный дешифровальный компьютер, состоявший из двух машин «Энигма». Этот компьютер применял собственный обратный протокол и перфорированные ленты для расшифровки. После оккупации Польши все образцы «Энигмы» и «Криптологической бомбы» были уничтожены, чтобы скрыть факт взлома шифра. Сотрудники бюро бежали во Францию и продолжили работу в области криптографии вместе с союзниками. В период с 1939 по 1940 год объединёнными усилиями было расшифровано более 15 000 немецких документов и военных сообщений[15][7][14].
В конечном итоге польские наработки оказались в распоряжении «Правительственной школы шифров и кодов», базировавшейся в Блетчли-Парке, в окрестностях Лондона. Здесь был сформирован штаб, который объединил специалистов разных профилей: криптографов, сотрудников контрразведки, математиков, лингвистов, шахматистов, экспертов по головоломкам и других. Среди участников аналитической группы выделялся молодой профессор из Кембриджа Алан Мэтисон Тьюринг — британский математик, логик и криптограф, оказавший большое влияние на развитие информатики[15][14][17].
Для удобства работы команда профессора Тьюринга соорудила в Блетчли-парке свой вычислительный комплекс, нацеленный на раскрытие шифровальных алгоритмов. Ряд экспертов считают автором этой конструкции лично Алана Тьюринга. Однако конструктивно «Бомба» незначительно отличалась от польской модели. Разница состояла только в используемом алгоритме расшифровки, а аппаратные доработки были незначительными[15].
Премьер-министр Великобритании Уинстон Черчилль, высоко ценил информацию, получаемую в Блетчли-Парке подразделением, занимавшимся расшифровкой. Для защиты этих сведений он установил беспрецедентный уровень конфиденциальности: «Совершенно Секретно Ультра» – сокращённо «Ультра». Уинстон Черчилль настаивал, чтобы источник этих крайне важных разведданных оставался тайной при любых обстоятельствах и любой ценой. Получатели данных «Ультра» были строго ограничены в распространении дешифрованных текстов и создании их копий. В тех случаях, когда требовалось принятие оперативных решений, основанных на этих данных, и существовал риск раскрытия источника, использовались тщательно разработанные методы маскировки. Например, получив сведения о готовящейся атаке, британское командование намеренно выжидало до момента обнаружения врагом разведывательного самолёта союзников над территорией, чтобы создать видимость случайного обнаружения. Альтернативно, происхождение информации объяснялось информацией от несуществующего тайного агента, якобы имеющего доступ к секретным документам[18][14].
Однако немцы хорошо понимали, что любая система шифрования имеет ограниченный срок действия, поэтому постоянно совершенствовали алгоритмы и усложняли устройство «Энигмы». Это привело к тому, что к 1942 году даже частичная дешифровка закодированных сообщений, используемых немецкими военно-воздушными силами, флотом и сухопутными войсками, стала нереальной задачей. По мнению ряда экспертов, если бы не счастливая случайность, секрет «Энигмы» остался бы нераскрытым ещё долгое время[15].
Удаче операции, секретно проводимой в Блетчли-Парке, способствовал инцидент с немецкой подводной лодкой U-559, которую случайно вывел из строя британский корабль. При осмотре захваченной субмарины британские моряки обнаружили шифровальную машину «Энигма» и комплект документов, содержащих методы шифрования[15].
Секрет о проведении операции «Ультра» оставался нераскрытым даже после завершения войны, и только в 1978 году было официально подтверждено раскрытие кода «Энигмы». Американский генерал Эйзенхауэр охарактеризовал систему «Ультра» как «ключевой элемент в победе союзников». И действительно, на протяжении всего конфликта фашистская Германия была практически лишена возможности использовать такое важное преимущество, как эффект неожиданности[14].
После завершения Второй мировой войны математики и логики, успешно взломавшие немецкий шифр, получили финансирование для проведения изысканий в сфере вычислительной техники. Целью было создание прототипа компьютера. Алан Тьюринг стал руководителем проекта по разработке электронного вычислительного устройства, и в 1955 году в Манчестере был запущен первый в мире компьютер. Алан Тьюринг не только разрабатывал программное обеспечение для этой машины, но и создал для нее свою первую шахматную программу[14].
Советский Союз был широко осведомлён о деятельности британской «Ультры». Одну из первых попыток внедриться в команду дешифровщиков «Энигмы» совершил известный разведчик Ким Филби. Однако его кандидатура была отвергнута. Позже, став одним из руководителей британской разведки, Ким Филби передавал большое количество информации о деятельности и криптографической службы Великобритании. Кроме того, в 1941 году, помимо сети агентов в Англии, Лев Василевский организовал во Франции подпольную группу, посвящённую проблеме «Энигмы»[19].
В 1956 году Советским Союзом была представлена первая версия сложной роторной шифровальной машины, получившая обозначение М-125 и кодовое название «Фиалка». Данное устройство включает в себя десять роторов и функционирует на основе принципа нерегулярного шага, при котором соседние роторы вращаются в противоположных направлениях. Важно отметить, что в конструкции «Фиалки» были устранены практически все известные уязвимости «Энигмы», включая неспособность машины зашифровать букву в саму себя[18][20].
В машине «Фиалка» картоприёмник заменил штекерную панель Steckerbrett, обеспечив прямую обработку телетайпных сигналов для использования букв и цифр. Устройство было оснащено встроенными перфоратором и считывателем бумажной ленты и выводило данные непосредственно на ленту. Выпускалось оно в нескольких модификациях и широко применялось в СССР и государствах-участниках Варшавского договора[18].
Вскоре после завершения Второй мировой войны в США началась разработка нового роторного шифратора для замены SIGABA. Проект получил обозначение KL-7, а также кодовые имена ADONIS и POLLUX. KL-7 состоял на вооружении всех родов войск США (флот, армия, авиация), а также использовался государственными структурами, включая ФБР, ЦРУ и администрацию президента. Кроме того, он стал основным шифровальным устройством для созданного НАТО. С 1960-х годов роторные машины постепенно уступали место электронным шифраторам, таким как KW-7, KL-51 (RACE) и Aroflex[18].
«Фиалка» и KL-7 были не единственными роторными шифровальными машинами, созданными под влиянием «Энигмы». Вооружённые силы Швейцарии использовали вариант Enigma K с 1938 года, осознавая его небезопасность и, вероятно, подозревая о перехвате их сообщений немецкой стороной. В связи с этим швейцарцы решили разработать собственную машину, внешне похожую на «Энигму», но с более совершенной механической конструкцией. Проект получил название «Neue Maschine» (новая машина), сокращённо NeMa. Разработка началась в 1941 году, но к концу войны машина не была готова. Представлена она была только в 1946 году[18].
Самый сложный роторный шифратор был разработан Борисом Хагелином (Crypto AG) и представлен в 1963 году. Однако появилась эта машина на рынке слишком поздно. В это время набирали популярность электронные шифраторы на основе сдвиговых регистров[18].
Литература
- Bertrand G. Enigma: ou, La plus grande énigme de la guerre 1939-1945 (фр.). — Paris: Plon, 1973. — 295 с.
- Calvocoressi P. Top Secret Ultra (англ.). — M & M Baldwin, 2001. — 158 p. — ISBN 978-0-9477-1241-9.
- Hubrich J. Cracking Enigma, a (short) Summary of the past (англ.) // Rheinland-Pfälzische Technische Universität Kaiserslautern-Landau.
- Rejewski M. An Application of the Theory of Permutations in Breaking the Enigma Cipher // Applicaciones Mathematicae. — 1980. — Т. 16, № 4. — doi:10.4064/am-16-4-543-559.
- Winkel B. J. The German Enigma Cipher Machine: Beginnings, Success, and Ultimate Failure (англ.). — Boston, London: Artech House, 2005. — 439 p. — ISBN 978-1-5805-3996-8.
Примечания
- ↑ Слободян Е. Что такое «Энигма»?. АО «Аргументы и Факты» (5 февраля 2015). Дата обращения: 6 января 2026.
- ↑ Hassan N. A., Hijazi R. Introduction and Historical Background // Data Hiding Techniques in Windows OS: A Practical Approach to Investigation and Defense (англ.). — Elsevier Inc., 2017. — P. 1—22. — 307 p. — ISBN 978-0-12-804449-0.
- ↑ Enigma Cipher Machine (англ.). Crypto Museum. Дата обращения: 6 января 2026.
- ↑ 4,0 4,1 4,2 4,3 Музыкантский А. И., Фурин В. В. Лекции по криптографии. — Москва: МЦНМО, 2013. — С. 7—11. — 68 с. — ISBN 978-5-4439-0086-5.
- ↑ 5,0 5,1 5,2 5,3 5,4 Hern A. How did the Enigma machine work? (англ.). The Guardian (4 ноября 2014). Дата обращения: 6 января 2026.
- ↑ Великая победа / Под общей редакцией С. Е. Нарышкина, А. В. Торкунова. — Москва: МГИМО—Университет, 2015. — Т. 10. Война в эфире. — С. 287—295. — 356 с. — ISBN 978-5-9228-1310-5.
- ↑ 7,0 7,1 7,2 7,3 7,4 Федоров Е. Операция «Ультра», или История о том, как поляки с британцами «Энигму» взломали. Часть 1. Военное обозрение (13 сентября 2018). Дата обращения: 6 января 2026.
- ↑ 8,0 8,1 8,2 8,3 8,4 8,5 8,6 8,7 8,8 8,9 Enigma explained (англ.). Crypto Museum. Дата обращения: 7 января 2026.
- ↑ Hamer D. H. Enigma: Actions involved in the ‘double stepping’ of the middle rotor (англ.) // Cryptologia : журнал. — 1997. — January (vol. 21, no. 1). — P. 47—50. — doi:10.1080/0161-119791885779.
- ↑ Бабаш А. В., Баранова Е. К., Мельников Ю. Н. Информационная безопасность. Лабораторный практикум. — Москва: Кнорус, 2016. — С. 31—40. — 132 с. — ISBN 978-5-406-04870-2.
- ↑ Andress J. Chapter 5 —Cryptography // The Basics of Information Security: Understanding the Fundamentals of InfoSec in Theory and Practice. — Elsevier Inc., 2011. — С. 67—68. — 171 с. — ISBN 978-1-59749-653-7.
- ↑ Enigma Steckerbrett (англ.). Crypto Museum. Дата обращения: 6 января 2026.
- ↑ 13,0 13,1 13,2 13,3 13,4 13,5 13,6 13,7 13,8 13,9 Enigma family tree (англ.). Crypto Museum. Дата обращения: 7 января 2026.
- ↑ 14,0 14,1 14,2 14,3 14,4 14,5 14,6 14,7 14,8 14,9 Перекатова А. Д., Горшкова Т. В. Таинственные страницы истории: криптография вчера и сегодня // Вестник науки : журнал. — 2019. — № 7 (15). — С. 37—50. — ISSN 2712-8849.
- ↑ 15,0 15,1 15,2 15,3 15,4 15,5 15,6 15,7 15,8 15,9 Юров Д. «Блокчейн» Гитлера: в чем кроется загадка суперкомпьютера нацистов. АО «ТРК ВС РФ «ЗВЕЗДА» (21 июля 2017). Дата обращения: 6 января 2026.
- ↑ Cox H. Cracking stuff: how Turing beat the Enigma (англ.). University of Manchester (28 ноября 2018). Дата обращения: 6 января 2026.
- ↑ 17,0 17,1 Нагирняк В. Разгадка «Энигмы»: как англичанам удалось взломать шифры вермахта. Информационное агентство Деловой журнал Профиль (9 мая 2021). Дата обращения: 6 января 2026.
- ↑ 18,0 18,1 18,2 18,3 18,4 18,5 18,6 18,7 18,8 18,9 Enigma History (англ.). Crypto Museum. Дата обращения: 6 января 2026.
- ↑ Федоров Е. Операция «Ультра», или История о том, как поляки с британцами «Энигму» взломали. Окончание. Взлом «Цитадели». Военное обозрение (24 октября 2018). Дата обращения: 6 января 2026.
- ↑ Совершенно секретно: история шифровальных устройств. Ростех (5 мая 2023). Дата обращения: 6 января 2026.

